ACEBALL 彎角型(黃銅製) BH 軟管螺紋接管一體型
一次側為錐度(PT)外螺紋,二次側為軟管連接之配管用閥。
【特長】
・對應軟管的尺寸豐富,選擇範圍廣。
・用軟管夾環鎖緊以固定軟管。
・本球閥代替空氣栓塞使用也具有高可靠性。
・根據使用的部位,可自由變更把手的操作位置。
【用途】
・便於各種配管。
一次側為錐度(PT)外螺紋,二次側為軟管連接之配管用閥。
【特長】
・對應軟管的尺寸豐富,選擇範圍廣。
・用軟管夾環鎖緊以固定軟管。
・本球閥代替空氣栓塞使用也具有高可靠性。
・根據使用的部位,可自由變更把手的操作位置。
【用途】
・便於各種配管。
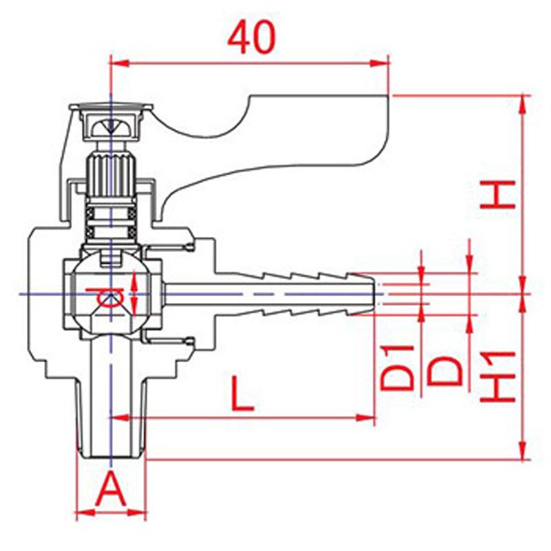
| 型號 | φd | A(R) | φD | φD1 | L | H1 | H(約) | 使用溫度範圍 | |
|---|---|---|---|---|---|---|---|---|---|
| BH-3106 | 6 | 1/8 | 6 | 3 | 38 | 24 | 29 | -10℃~80℃ | |
| BH-3107 | 6 | 1/8 | 7 | 4 | 38 | 24 | 29 | -10℃~80℃ | |
| BH-3208 | 6 | 1/4 | 8 | 5 | 40 | 24 | 29 | -10℃~80℃ | |
| BH-3209 | 6 | 1/4 | 9 | 6 | 40 | 24 | 29 | -10℃~80℃ | |
| BH-3309 | 6 | 3/8 | 9 | 6 | 40 | 24 | 29 | -10℃~80℃ | |
| BH-3310 | 6 | 3/8 | 10.5 | 6 | 42 | 24 | 29 | -10℃~80℃ |