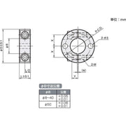
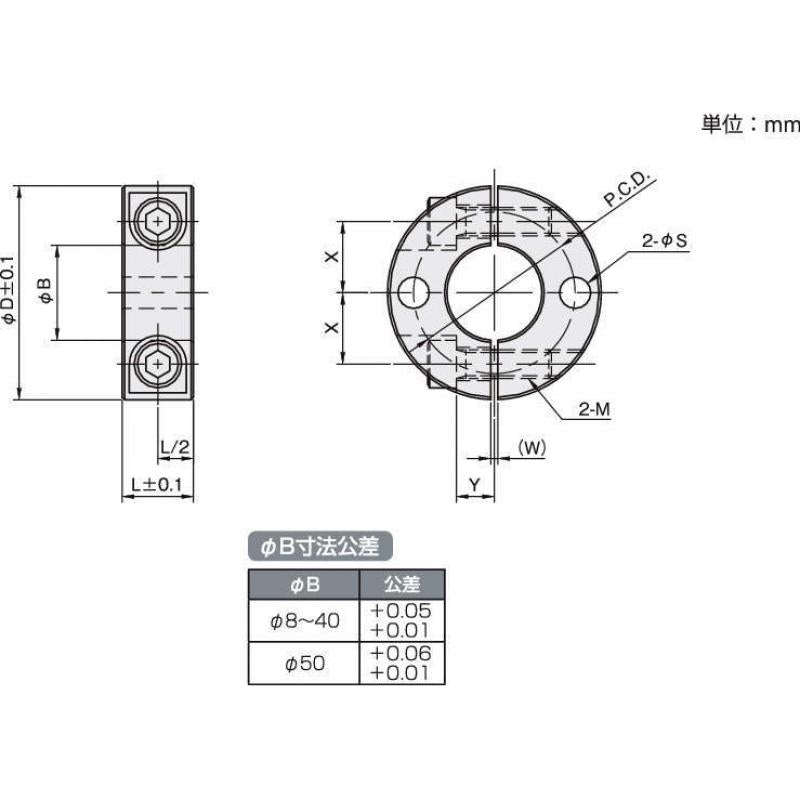
2孔型 分離環
【CAD取得、價格・交期確認可】可簡單拆卸的分離型
・便於機械組裝及維修的分離構造固定環。
・推力強,且不易損傷軸。
・可利用端面的孔安裝托架,也可以用於固定。
#固定環#定位
【CAD取得、價格・交期確認可】可簡單拆卸的分離型
・便於機械組裝及維修的分離構造固定環。
・推力強,且不易損傷軸。
・可利用端面的孔安裝托架,也可以用於固定。
#固定環#定位
| 型式 | 材質/表面處理 | 內徑 φB | 寬 L | 外徑 φD | 側孔-φS | 側孔-P.C.D. | W | X | Y | 緊固螺栓 M | 參考出貨日 |
|---|---|---|---|---|---|---|---|---|---|---|---|
| SCSS0808CP2 | 鐵(S45C)/染黑 | 8 | 8 | 25 | 4.5 | 16.5 | 1.5 | 8 | 5 | M3×10 | 需確認 |
| SCSS0810CP2 | 鐵(S45C)/染黑 | 8 | 10 | 25 | 4.5 | 18 | 1.5 | 8 | 5 | M4×12 | 需確認 |
| SCSS0812CP2 | 鐵(S45C)/染黑 | 8 | 12 | 28 | 5.5 | 18 | 1.5 | 8.5 | 5 | M5×16 | 需確認 |
| SCSS0815CP2 | 鐵(S45C)/染黑 | 8 | 15 | 30 | 4.5 | 19 | 1.5 | 9 | 5 | M6×15 | 需確認 |
| SCSS1010CP2 | 鐵(S45C)/染黑 | 10 | 10 | 30 | 5.5 | 20 | 1.5 | 9 | 5 | M4×12 | 需確認 |
| SCSS1012CP2 | 鐵(S45C)/染黑 | 10 | 12 | 30 | 5.5 | 20 | 1.5 | 9 | 5 | M5×16 | 需確認 |
| SCSS1015CP2 | 鐵(S45C)/染黑 | 10 | 15 | 35 | 5.5 | 22.5 | 1.5 | 10 | 6 | M6×18 | 需確認 |
| SCSS1210CP2 | 鐵(S45C)/染黑 | 12 | 10 | 30 | 5.5 | 21 | 1.5 | 10 | 5 | M4×12 | 需確認 |
| SCSS1212CP2 | 鐵(S45C)/染黑 | 12 | 12 | 30 | 5.5 | 21 | 1.5 | 10 | 5 | M5×16 | 需確認 |
| SCSS1215CP2 | 鐵(S45C)/染黑 | 12 | 15 | 35 | 5.5 | 23.5 | 1.5 | 11 | 6 | M6×18 | 需確認 |
| SCSS1510CP2 | 鐵(S45C)/染黑 | 15 | 10 | 32 | 5.5 | 24.5 | 1.5 | 11 | 6 | M4×12 | 需確認 |
| SCSS1512CP2 | 鐵(S45C)/染黑 | 15 | 12 | 35 | 5.5 | 25 | 1.5 | 12 | 6 | M5×16 | 需確認 |
| SCSS1515CP2 | 鐵(S45C)/染黑 | 15 | 15 | 40 | 5.5 | 27.5 | 1.5 | 13 | 8 | M6×20 | 需確認 |
| SCSS1610CP2 | 鐵(S45C)/染黑 | 16 | 10 | 35 | 5.5 | 25.5 | 1.5 | 12 | 6 | M4×12 | 需確認 |
| SCSS1612CP2 | 鐵(S45C)/染黑 | 16 | 12 | 35 | 5.5 | 25.5 | 1.5 | 12 | 6 | M5×16 | 需確認 |
| SCSS1615CP2 | 鐵(S45C)/染黑 | 16 | 15 | 40 | 5.5 | 28 | 1.5 | 13 | 8 | M6×20 | 需確認 |
| SCSS2010CP2 | 鐵(S45C)/染黑 | 20 | 10 | 40 | 5.5 | 30 | 1.5 | 14 | 7 | M4×16 | 需確認 |
| SCSS2012CP2 | 鐵(S45C)/染黑 | 20 | 12 | 40 | 5.5 | 30 | 1.5 | 14 | 7 | M5×16 | 需確認 |
| SCSS2015CP2 | 鐵(S45C)/染黑 | 20 | 15 | 45 | 5.5 | 32.5 | 1.5 | 15 | 8 | M6×20 | 需確認 |
| SCSS2512CP2 | 鐵(S45C)/染黑 | 25 | 12 | 45 | 6.6 | 35 | 1.5 | 17 | 7 | M5×16 | 需確認 |
| SCSS2515CP2 | 鐵(S45C)/染黑 | 25 | 15 | 50 | 6.6 | 37.5 | 1.5 | 18 | 10 | M6×25 | 需確認 |
| SCSS3015CP2 | 鐵(S45C)/染黑 | 30 | 15 | 55 | 6.6 | 42.5 | 1.5 | 20 | 10 | M6×25 | 需確認 |
| SCSS3515CP2 | 鐵(S45C)/染黑 | 35 | 15 | 60 | 6.6 | 47.5 | 2 | 23 | 12 | M6×25 | 需確認 |
| SCSS4018CP2 | 鐵(S45C)/染黑 | 40 | 18 | 70 | 9 | 55 | 2 | 26 | 13 | M8×30 | 需確認 |
| SCSS5022CP2 | 鐵(S45C)/染黑 | 50 | 22 | 85 | 11 | 67.5 | 3 | 32 | 16 | M10×35 | 需確認 |
| SCSS0808MP2 | 鐵(S45C)/鍍無電解鎳 | 8 | 8 | 25 | 4.5 | 16.5 | 1.5 | 8 | 5 | M3×10 | 需確認 |
| SCSS0810MP2 | 鐵(S45C)/鍍無電解鎳 | 8 | 10 | 25 | 4.5 | 18 | 1.5 | 8 | 5 | M4×12 | 需確認 |
| SCSS0812MP2 | 鐵(S45C)/鍍無電解鎳 | 8 | 12 | 28 | 5.5 | 18 | 1.5 | 8.5 | 5 | M5×16 | 需確認 |
| SCSS0815MP2 | 鐵(S45C)/鍍無電解鎳 | 8 | 15 | 30 | 4.5 | 19 | 1.5 | 9 | 5 | M6×15 | 需確認 |
| SCSS1010MP2 | 鐵(S45C)/鍍無電解鎳 | 10 | 10 | 30 | 5.5 | 20 | 1.5 | 9 | 5 | M4×12 | 需確認 |
| SCSS1012MP2 | 鐵(S45C)/鍍無電解鎳 | 10 | 12 | 30 | 5.5 | 20 | 1.5 | 9 | 5 | M5×16 | 需確認 |
| SCSS1015MP2 | 鐵(S45C)/鍍無電解鎳 | 10 | 15 | 35 | 5.5 | 22.5 | 1.5 | 10 | 6 | M6×18 | 需確認 |
| SCSS1210MP2 | 鐵(S45C)/鍍無電解鎳 | 12 | 10 | 30 | 5.5 | 21 | 1.5 | 10 | 5 | M4×12 | 需確認 |
| SCSS1212MP2 | 鐵(S45C)/鍍無電解鎳 | 12 | 12 | 30 | 5.5 | 21 | 1.5 | 10 | 5 | M5×16 | 需確認 |
| SCSS1215MP2 | 鐵(S45C)/鍍無電解鎳 | 12 | 15 | 35 | 5.5 | 23.5 | 1.5 | 11 | 6 | M6×18 | 需確認 |
| SCSS1510MP2 | 鐵(S45C)/鍍無電解鎳 | 15 | 10 | 32 | 5.5 | 24.5 | 1.5 | 11 | 6 | M4×12 | 需確認 |
| SCSS1512MP2 | 鐵(S45C)/鍍無電解鎳 | 15 | 12 | 35 | 5.5 | 25 | 1.5 | 12 | 6 | M5×16 | 需確認 |
| SCSS1515MP2 | 鐵(S45C)/鍍無電解鎳 | 15 | 15 | 40 | 5.5 | 27.5 | 1.5 | 13 | 8 | M6×20 | 需確認 |
| SCSS1610MP2 | 鐵(S45C)/鍍無電解鎳 | 16 | 10 | 35 | 5.5 | 25.5 | 1.5 | 12 | 6 | M4×12 | 需確認 |
| SCSS1612MP2 | 鐵(S45C)/鍍無電解鎳 | 16 | 12 | 35 | 5.5 | 25.5 | 1.5 | 12 | 6 | M5×16 | 需確認 |
| SCSS1615MP2 | 鐵(S45C)/鍍無電解鎳 | 16 | 15 | 40 | 5.5 | 28 | 1.5 | 13 | 8 | M6×20 | 需確認 |
| SCSS2010MP2 | 鐵(S45C)/鍍無電解鎳 | 20 | 10 | 40 | 5.5 | 30 | 1.5 | 14 | 7 | M4×16 | 需確認 |
| SCSS2012MP2 | 鐵(S45C)/鍍無電解鎳 | 20 | 12 | 40 | 5.5 | 30 | 1.5 | 14 | 7 | M5×16 | 需確認 |
| SCSS2015MP2 | 鐵(S45C)/鍍無電解鎳 | 20 | 15 | 45 | 5.5 | 32.5 | 1.5 | 15 | 8 | M6×20 | 需確認 |
| SCSS2512MP2 | 鐵(S45C)/鍍無電解鎳 | 25 | 12 | 45 | 6.6 | 35 | 1.5 | 17 | 7 | M5×16 | 需確認 |
| SCSS2515MP2 | 鐵(S45C)/鍍無電解鎳 | 25 | 15 | 50 | 6.6 | 37.5 | 1.5 | 18 | 10 | M6×25 | 需確認 |
| SCSS3015MP2 | 鐵(S45C)/鍍無電解鎳 | 30 | 15 | 55 | 6.6 | 42.5 | 1.5 | 20 | 10 | M6×25 | 需確認 |
| SCSS3515MP2 | 鐵(S45C)/鍍無電解鎳 | 35 | 15 | 60 | 6.6 | 47.5 | 2 | 23 | 12 | M6×25 | 需確認 |
| SCSS4018MP2 | 鐵(S45C)/鍍無電解鎳 | 40 | 18 | 70 | 9 | 55 | 2 | 26 | 13 | M8×30 | 需確認 |
| SCSS5022MP2 | 鐵(S45C)/鍍無電解鎳 | 50 | 22 | 85 | 11 | 67.5 | 3 | 32 | 16 | M10×35 | 需確認 |
| SCSS0808SP2 | 不銹鋼(SUS304) | 8 | 8 | 25 | 4.5 | 16.5 | 1.5 | 8 | 5 | M3×10 | 需確認 |
| SCSS0810SP2 | 不銹鋼(SUS304) | 8 | 10 | 25 | 4.5 | 18 | 1.5 | 8 | 5 | M4×12 | 需確認 |
| SCSS0812SP2 | 不銹鋼(SUS304) | 8 | 12 | 28 | 5.5 | 18 | 1.5 | 8.5 | 5 | M5×16 | 需確認 |
| SCSS0815SP2 | 不銹鋼(SUS304) | 8 | 15 | 30 | 4.5 | 19 | 1.5 | 9 | 5 | M6×15 | 需確認 |
| SCSS1010SP2 | 不銹鋼(SUS304) | 10 | 10 | 30 | 5.5 | 20 | 1.5 | 9 | 5 | M4×12 | 需確認 |
| SCSS1012SP2 | 不銹鋼(SUS304) | 10 | 12 | 30 | 5.5 | 20 | 1.5 | 9 | 5 | M5×16 | 需確認 |
| SCSS1015SP2 | 不銹鋼(SUS304) | 10 | 15 | 35 | 5.5 | 22.5 | 1.5 | 10 | 6 | M6×18 | 需確認 |
| SCSS1210SP2 | 不銹鋼(SUS304) | 12 | 10 | 30 | 5.5 | 21 | 1.5 | 10 | 5 | M4×12 | 需確認 |
| SCSS1212SP2 | 不銹鋼(SUS304) | 12 | 12 | 30 | 5.5 | 21 | 1.5 | 10 | 5 | M5×16 | 需確認 |
| SCSS1215SP2 | 不銹鋼(SUS304) | 12 | 15 | 35 | 5.5 | 23.5 | 1.5 | 11 | 6 | M6×18 | 需確認 |
| SCSS1510SP2 | 不銹鋼(SUS304) | 15 | 10 | 32 | 5.5 | 24.5 | 1.5 | 11 | 6 | M4×12 | 需確認 |
| SCSS1512SP2 | 不銹鋼(SUS304) | 15 | 12 | 35 | 5.5 | 25 | 1.5 | 12 | 6 | M5×16 | 需確認 |
| SCSS1515SP2 | 不銹鋼(SUS304) | 15 | 15 | 40 | 5.5 | 27.5 | 1.5 | 13 | 8 | M6×20 | 需確認 |
| SCSS1610SP2 | 不銹鋼(SUS304) | 16 | 10 | 35 | 5.5 | 25.5 | 1.5 | 12 | 6 | M4×12 | 需確認 |
| SCSS1612SP2 | 不銹鋼(SUS304) | 16 | 12 | 35 | 5.5 | 25.5 | 1.5 | 12 | 6 | M5×16 | 需確認 |
| SCSS1615SP2 | 不銹鋼(SUS304) | 16 | 15 | 40 | 5.5 | 28 | 1.5 | 13 | 8 | M6×20 | 需確認 |
| SCSS2010SP2 | 不銹鋼(SUS304) | 20 | 10 | 40 | 5.5 | 30 | 1.5 | 14 | 7 | M4×16 | 需確認 |
| SCSS2012SP2 | 不銹鋼(SUS304) | 20 | 12 | 40 | 5.5 | 30 | 1.5 | 14 | 7 | M5×16 | 需確認 |
| SCSS2015SP2 | 不銹鋼(SUS304) | 20 | 15 | 45 | 5.5 | 32.5 | 1.5 | 15 | 8 | M6×20 | 需確認 |
| SCSS2512SP2 | 不銹鋼(SUS304) | 25 | 12 | 45 | 6.6 | 35 | 1.5 | 17 | 7 | M5×16 | 需確認 |
| SCSS2515SP2 | 不銹鋼(SUS304) | 25 | 15 | 50 | 6.6 | 37.5 | 1.5 | 18 | 10 | M6×25 | 需確認 |
| SCSS3015SP2 | 不銹鋼(SUS304) | 30 | 15 | 55 | 6.6 | 42.5 | 1.5 | 20 | 10 | M6×25 | 需確認 |
| SCSS3515SP2 | 不銹鋼(SUS304) | 35 | 15 | 60 | 6.6 | 47.5 | 2 | 23 | 12 | M6×25 | 需確認 |
| SCSS4018SP2 | 不銹鋼(SUS304) | 40 | 18 | 70 | 9 | 55 | 2 | 26 | 13 | M8×30 | 需確認 |
| SCSS5022SP2 | 不銹鋼(SUS304) | 50 | 22 | 85 | 11 | 67.5 | 3 | 32 | 16 | M10×35 | 需確認 |