- 型號規格表
左右滑動查看完整表格
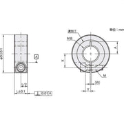
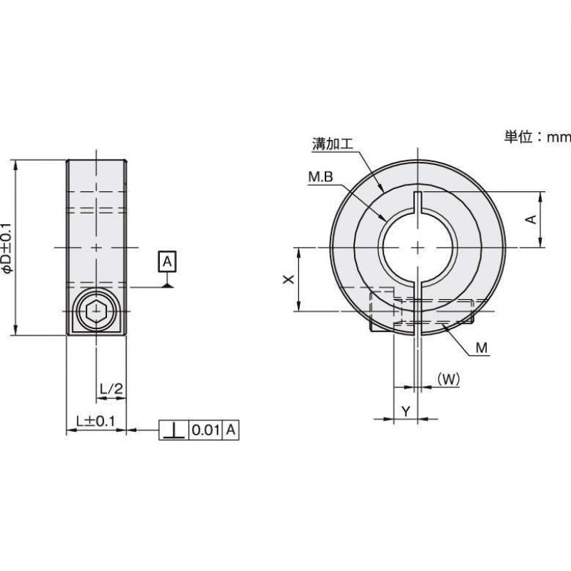
| 型式 | 材質/表面處理 | 內徑螺牙 M.B | 寬 L | 外徑 φD | W | X | Y | A | 緊固螺栓 M | 參考出貨日 |
|---|---|---|---|---|---|---|---|---|---|---|
| SCS03N09C | 鐵(S45C)/染黑 | M3×P0.5 | 9 | 15 | 1 | 4.5 | 3 | 5.5 | M3×8 | 需確認 |
| SCS04N09C | 鐵(S45C)/染黑 | M4×P0.7 | 9 | 15 | 1 | 4.5 | 3 | 5.5 | M3×8 | 需確認 |
| SCS05N09C | 鐵(S45C)/染黑 | M5×P0.8 | 9 | 20 | 1.5 | 6 | 3 | 7.5 | M3×8 | 需確認 |
| SCS06N09C | 鐵(S45C)/染黑 | M6×P1.0 | 9 | 20 | 1.8 | 6 | 3 | 7.5 | M3×8 | 需確認 |
| SCS08N09C | 鐵(S45C)/染黑 | M8×P1.25 | 9 | 25 | 1.8 | 8 | 3 | 8.5 | M3×10 | 需確認 |
| SCS10N09C | 鐵(S45C)/染黑 | M10×P1.5 | 9 | 25 | 1.8 | 8 | 3 | 8.5 | M3×10 | 需確認 |
| SCS12N12C | 鐵(S45C)/染黑 | M12×P1.75 | 12 | 31 | 1.8 | 10.5 | 4 | 9.5 | M4×12 | 需確認 |
| SCS16N14C | 鐵(S45C)/染黑 | M16×P2.0 | 14 | 38 | 3 | 13.5 | 5 | 13.5 | M5×16 | 需確認 |
| SCS20N15C | 鐵(S45C)/染黑 | M20×P2.5 | 15 | 44 | 3 | 16 | 6 | 14 | M6×20 | 需確認 |
| SCS24N15C | 鐵(S45C)/染黑 | M24×P3.0 | 15 | 50 | 3 | 18.5 | 6 | 16.5 | M6×20 | 需確認 |
| SCS30N15C | 鐵(S45C)/染黑 | M30×P3.5 | 15 | 56 | 3 | 21.5 | 6 | 19 | M6×20 | 需確認 |
| SCS03N09S | 不銹鋼(SUS304) | M3×P0.5 | 9 | 15 | 1 | 4.5 | 3 | 5.5 | M3×8 | 需確認 |
| SCS04N09S | 不銹鋼(SUS304) | M4×P0.7 | 9 | 15 | 1 | 4.5 | 3 | 5.5 | M3×8 | 需確認 |
| SCS05N09S | 不銹鋼(SUS304) | M5×P0.8 | 9 | 20 | 1.5 | 6 | 3 | 7.5 | M3×8 | 需確認 |
| SCS06N09S | 不銹鋼(SUS304) | M6×P1.0 | 9 | 20 | 1.8 | 6 | 3 | 7.5 | M3×8 | 需確認 |
| SCS08N09S | 不銹鋼(SUS304) | M8×P1.25 | 9 | 25 | 1.8 | 8 | 3 | 8.5 | M3×10 | 需確認 |
| SCS10N09S | 不銹鋼(SUS304) | M10×P1.5 | 9 | 25 | 1.8 | 8 | 3 | 8.5 | M3×10 | 需確認 |
| SCS12N12S | 不銹鋼(SUS304) | M12×P1.75 | 12 | 31 | 1.8 | 10.5 | 4 | 9.5 | M4×12 | 需確認 |
| SCS16N14S | 不銹鋼(SUS304) | M16×P2.0 | 14 | 38 | 3 | 13.5 | 5 | 13.5 | M5×16 | 需確認 |
| SCS20N15S | 不銹鋼(SUS304) | M20×P2.5 | 15 | 44 | 3 | 16 | 6 | 14 | M6×20 | 需確認 |
| SCS24N15S | 不銹鋼(SUS304) | M24×P3.0 | 15 | 50 | 3 | 18.5 | 6 | 16.5 | M6×20 | 需確認 |
| SCS30N15S | 不銹鋼(SUS304) | M30×P3.5 | 15 | 56 | 3 | 21.5 | 6 | 19 | M6×20 | 需確認 |