ACEBALL 直型(黃銅製) BW 雙頭錐度內螺紋型
一次側、二次側皆為錐度(PT)內螺紋的配管用閥。
【特長】
・雙頭內牙型之高泛用性規格。
・二面間距短,即使在狹窄空間配管也可發揮威力。
【用途】
・便於在狹窄空間的配管。
一次側、二次側皆為錐度(PT)內螺紋的配管用閥。
【特長】
・雙頭內牙型之高泛用性規格。
・二面間距短,即使在狹窄空間配管也可發揮威力。
【用途】
・便於在狹窄空間的配管。
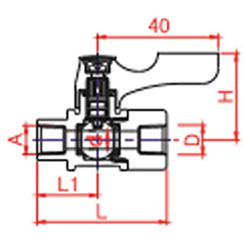
| 型號 | φd | A(R) | D(Rc) | L1 | L | H(約) | 使用溫度範圍 | |
|---|---|---|---|---|---|---|---|---|
| BW-9011 | 6 | 1/8 | 1/8 | 20 | 43 | 29 | -10℃~80℃ | |
| BW-9022 | 6 | 1/4 | 1/4 | 20 | 43 | 29 | -10℃~80℃ | |
| BW-9033 | 8 | 3/8 | 3/8 | 27 | 55 | 31 | -10℃~80℃ |