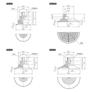
薄型吸盤單體 PAG
薄型吸附面,適合防吸附目標物變形的吸盤。
【特長】
・材質為合成橡膠、矽膠 優力膠、氟。具有導電性且可對應各種吸附。
・依材質也備有各種硬度的產品。耐久性優異,長壽命。
・因應客戶要求在薄膜等較薄的吸附目標物上不要殘留皺紋、吸附痕跡所開發的吸盤。
・由於吸附面為平面型,藉由吸盤的形狀極力防止皺紋及因吸附所造成的變形。
・耐油、耐熱性優異,各種環境皆可使用。
・吸盤唇部為薄型,適用於防止吸附目標物變形。
【用途】
・用於防止紙、薄膜、薄的樹脂等變形用。
薄型吸附面,適合防吸附目標物變形的吸盤。
【特長】
・材質為合成橡膠、矽膠 優力膠、氟。具有導電性且可對應各種吸附。
・依材質也備有各種硬度的產品。耐久性優異,長壽命。
・因應客戶要求在薄膜等較薄的吸附目標物上不要殘留皺紋、吸附痕跡所開發的吸盤。
・由於吸附面為平面型,藉由吸盤的形狀極力防止皺紋及因吸附所造成的變形。
・耐油、耐熱性優異,各種環境皆可使用。
・吸盤唇部為薄型,適用於防止吸附目標物變形。
【用途】
・用於防止紙、薄膜、薄的樹脂等變形用。
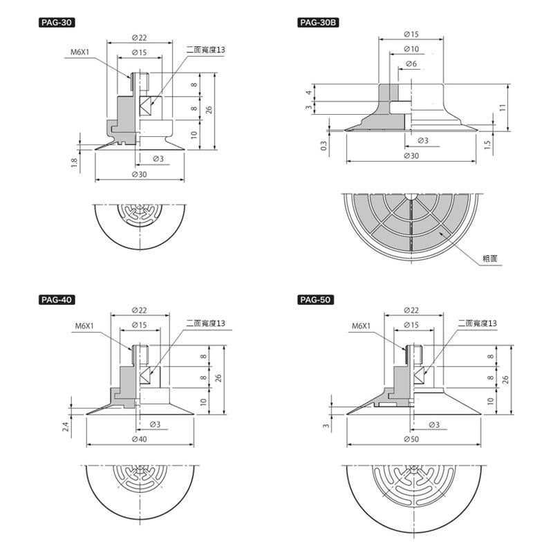
| 型號 | 吸盤種類 | 安裝方式 | 橡膠系材質 | 顏色 | 使用溫度範圍(℃) | 吸盤直徑(mm) | |
|---|---|---|---|---|---|---|---|
| PAG-10A-F | 附溝槽 / 吸盤單體 | 嵌入式 | 氟素橡膠 | [黑] 黑底白點 | -10~230 | 10A | |
| PAG-10A-N | 附溝槽 / 唇部薄 / 吸盤單體 | 嵌入式 | [NBR合成橡膠] 丁腈橡膠 | [黑] 黑 | -26~120 | 10 | |
| PAG-10A-S | 附溝槽 / 唇部薄 / 吸盤單體 | 嵌入式 | [矽膠] 矽橡膠 | 白 | -60~250 | 10 | |
| PAG-15A-F | 附溝槽 / 吸盤單體 | 嵌入式 | 氟素橡膠 | [黑] 黑底白點 | -10~230 | 15A | |
| PAG-15A-N | 附溝槽 / 唇部薄 / 吸盤單體 | 嵌入式 | [NBR合成橡膠] 丁腈橡膠 | [黑] 黑 | -26~120 | 15 | |
| PAG-15A-S | 附溝槽 / 唇部薄 / 吸盤單體 | 嵌入式 | [矽膠] 矽橡膠 | 白 | -60~250 | 15 | |
| PAG-20A-F | 附溝槽 / 吸盤單體 | 嵌入式 | 氟素橡膠 | [黑] 黑底白點 | -10~230 | 20A | |
| PAG-20A-N | 附溝槽 / 唇部薄 / 吸盤單體 | 嵌入式 | [NBR合成橡膠] 丁腈橡膠 | [黑] 黑 | -26~120 | 20 | |
| PAG-20A-S | 附溝槽 / 唇部薄 / 吸盤單體 | 嵌入式 | [矽膠] 矽橡膠 | 白 | -60~250 | 20 | |
| PAG-25-N | 附溝槽 / 唇部薄 / 吸盤單體 | 插入式 | [NBR合成橡膠] 丁腈橡膠 | [黑] 黑 | -26~120 | 25 | |
| PAG-25-S | 附溝槽 / 唇部薄 / 吸盤單體 | 插入式 | [矽膠] 矽橡膠 | 白 | -60~250 | 25 | |
| PAG-30-F | 附溝槽 / 吸盤單體 | 插入式 | 氟素橡膠 | [黑] 黑底白點 | -10~230 | 30 | |
| PAG-30-N | 附溝槽 / 唇部薄 / 吸盤單體 | 插入式 | [NBR合成橡膠] 丁腈橡膠 | [黑] 黑 | -26~120 | 30 | |
| PAG-30-S | 附溝槽 / 唇部薄 / 吸盤單體 | 插入式 | [矽膠] 矽橡膠 | 白 | -60~250 | 30 | |
| PAG-40-F | 附溝槽 / 吸盤單體 | 插入式 | 氟素橡膠 | [黑] 黑底白點 | -10~230 | 40 | |
| PAG-40-N | 附溝槽 / 唇部薄 / 吸盤單體 | 插入式 | [NBR合成橡膠] 丁腈橡膠 | [黑] 黑 | -26~120 | 40 | |
| PAG-40-S | 附溝槽 / 唇部薄 / 吸盤單體 | 插入式 | [矽膠] 矽橡膠 | 白 | -60~250 | 40 | |
| PAG-50-F | 附溝槽 / 吸盤單體 | 插入式 | 氟素橡膠 | [黑] 黑底白點 | -10~230 | 50 | |
| PAG-50-N | 附溝槽 / 唇部薄 / 吸盤單體 | 插入式 | [NBR合成橡膠] 丁腈橡膠 | [黑] 黑 | -26~120 | 50 | |
| PAG-50-S | 附溝槽 / 唇部薄 / 吸盤單體 | 插入式 | [矽膠] 矽橡膠 | 白 | -60~250 | 50 |