波紋管型吸盤單體 PBG
波紋管部具優異耐久性的吸盤。
【特長】
・材質為合成橡膠、矽膠、優力膠、氟。具有導電性且可對應各種吸附。
・依材質也備有各種硬度的產品。
・耐油、耐熱性優異,各種環境皆可使用。
・具波紋管部分,緩衝性優異。
・提升波紋管部分的耐久性,實現比既有波紋管吸盤更高的耐久性及長壽命。
【用途】
・最適合球面或有角度的吸附目標物。
波紋管部具優異耐久性的吸盤。
【特長】
・材質為合成橡膠、矽膠、優力膠、氟。具有導電性且可對應各種吸附。
・依材質也備有各種硬度的產品。
・耐油、耐熱性優異,各種環境皆可使用。
・具波紋管部分,緩衝性優異。
・提升波紋管部分的耐久性,實現比既有波紋管吸盤更高的耐久性及長壽命。
【用途】
・最適合球面或有角度的吸附目標物。
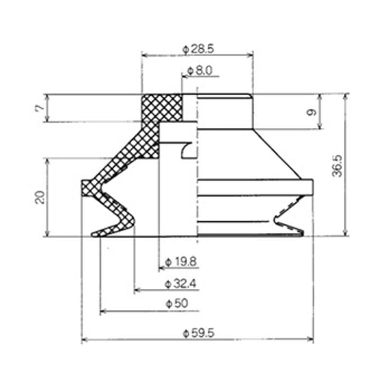
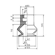
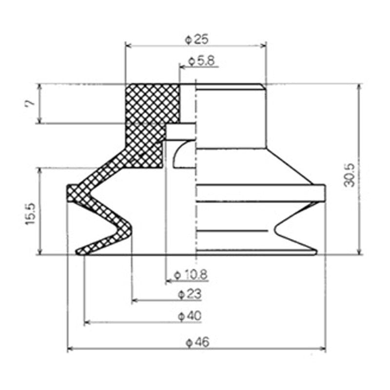
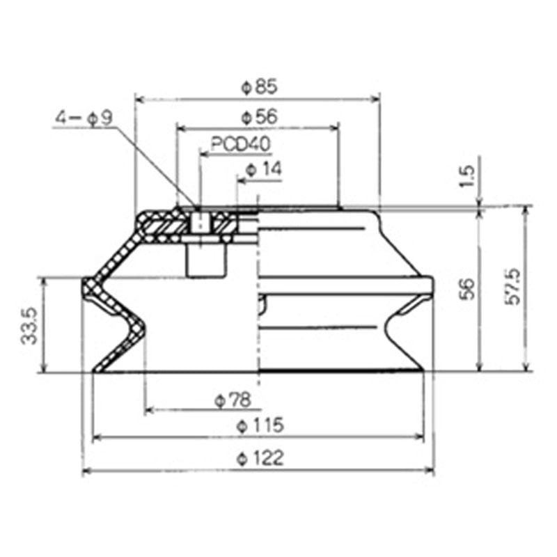
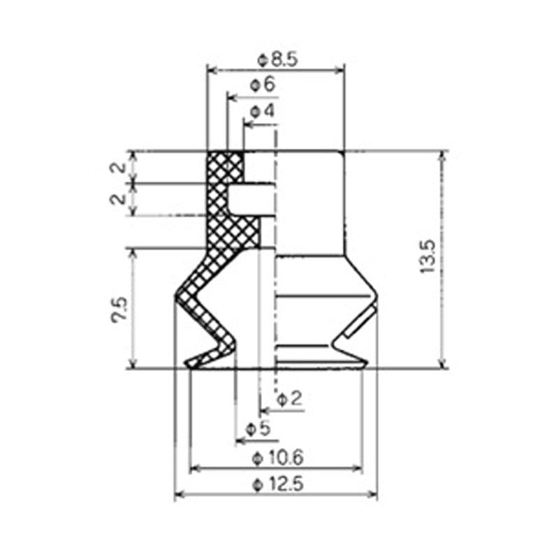
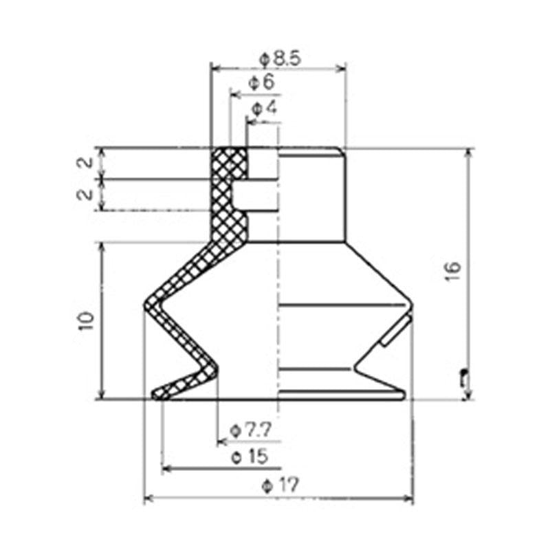
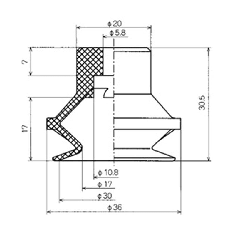
| 型號 | 安裝方式 | 橡膠系材質 | 環境 | 顏色 | 使用溫度範圍(℃) | 吸盤直徑(mm) | |
|---|---|---|---|---|---|---|---|
| PBG-10A-F | 嵌入式 | 氟素橡膠 | 標準 / 耐寒 / 耐熱 | [黑] 黑底白點 | -10~230 | 10 | |
| PBG-10A-N | 嵌入式 | [NBR合成橡膠] 丁腈橡膠 | 標準 / 耐寒 / 耐熱 | [黑] 黑 | -26~120 | 10 | |
| PBG-10A-S | 嵌入式 | [矽膠] 矽橡膠 | 標準 / 耐寒 / 耐熱 | 白 | -60~250 | 10 | |
| PBG-10A-U | 嵌入式 | 優力膠橡膠 | 標準 / 耐寒 | 藍 | -20~75 | 10 | |
| PBG-15A-F | 嵌入式 | 氟素橡膠 | 標準 / 耐寒 / 耐熱 | [黑] 黑底白點 | -10~230 | 15 | |
| PBG-15A-N | 嵌入式 | [NBR合成橡膠] 丁腈橡膠 | 標準 / 耐寒 / 耐熱 | [黑] 黑 | -26~120 | 15 | |
| PBG-15A-S | 嵌入式 | [矽膠] 矽橡膠 | 標準 / 耐寒 / 耐熱 | 白 | -60~250 | 15 | |
| PBG-15A-U | 嵌入式 | 優力膠橡膠 | 標準 / 耐寒 | 藍 | -20~75 | 15 | |
| PBG-20-F | 插入式 | 氟素橡膠 | 標準 / 耐寒 / 耐熱 | [黑] 黑底白點 | -10~230 | 20 | |
| PBG-20-N | 插入式 | [NBR合成橡膠] 丁腈橡膠 | 標準 / 耐寒 / 耐熱 | [黑] 黑 | -26~120 | 20 | |
| PBG-20-S | 插入式 | [矽膠] 矽橡膠 | 標準 / 耐寒 / 耐熱 | 白 | -60~250 | 20 | |
| PBG-20-U | 插入式 | 優力膠橡膠 | 標準 / 耐寒 | 藍 | -20~75 | 20 | |
| PBG-30-F | 插入式 | 氟素橡膠 | 標準 / 耐寒 / 耐熱 | [黑] 黑底白點 | -10~230 | 30 | |
| PBG-30-N | 插入式 | [NBR合成橡膠] 丁腈橡膠 | 標準 / 耐寒 / 耐熱 | [黑] 黑 | -26~120 | 30 | |
| PBG-30-S | 插入式 | [矽膠] 矽橡膠 | 標準 / 耐寒 / 耐熱 | 白 | -60~250 | 30 | |
| PBG-30-U | 插入式 | 優力膠橡膠 | 標準 / 耐寒 | 藍 | -20~75 | 30 | |
| PBG-40-F | 插入式 | 氟素橡膠 | 標準 / 耐寒 / 耐熱 | [黑] 黑底白點 | -10~230 | 40 | |
| PBG-40-N | 插入式 | [NBR合成橡膠] 丁腈橡膠 | 標準 / 耐寒 / 耐熱 | [黑] 黑 | -26~120 | 40 | |
| PBG-40-S | 插入式 | [矽膠] 矽橡膠 | 標準 / 耐寒 / 耐熱 | 白 | -60~250 | 40 | |
| PBG-40-U | 插入式 | 優力膠橡膠 | 標準 / 耐寒 | 藍 | -20~75 | 40 | |
| PBG-50-F | 插入式 | 氟素橡膠 | 標準 / 耐寒 / 耐熱 | [黑] 黑底白點 | -10~230 | 50 | |
| PBG-50-N | 插入式 | [NBR合成橡膠] 丁腈橡膠 | 標準 / 耐寒 / 耐熱 | [黑] 黑 | -26~120 | 50 | |
| PBG-50-S | 插入式 | [矽膠] 矽橡膠 | 標準 / 耐寒 / 耐熱 | 白 | -60~250 | 50 | |
| PBG-50-U | 插入式 | 優力膠橡膠 | 標準 / 耐寒 | 藍 | -20~75 | 50 | |
| PBG-75-F | 插入式 | 氟素橡膠 | 標準 / 耐寒 / 耐熱 | [黑] 黑底白點 | -10~230 | 75 | |
| PBG-75-N | 插入式 | [NBR合成橡膠] 丁腈橡膠 | 標準 / 耐寒 / 耐熱 | [黑] 黑 | -26~120 | 75 | |
| PBG-75-U | 插入式 | 優力膠橡膠 | 標準 / 耐寒 | 藍 | -20~75 | 75 | |
| PBG-110-N | 插入式 | [NBR合成橡膠] 丁腈橡膠 | 標準 / 耐寒 / 耐熱 | [黑] 黑 | -26~120 | 110 | |
| PBG-110-S | 插入式 | [矽膠] 矽橡膠 | 標準 / 耐寒 / 耐熱 | 白 | -60~250 | 110 | |
| PBG-150-F | 插入式 | 氟素橡膠 | 標準 / 耐寒 / 耐熱 | [黑] 黑底白點 | -10~230 | 150 | |
| PBG-150-S | 插入式 | [矽膠] 矽橡膠 | 標準 / 耐寒 / 耐熱 | 白 | -60~250 | 150 |